用手机访问
下面以小天鹅XQB70-7型波轮全自动洗衣机电路为例介绍波轮全自动洗衣机电路的识图方法...
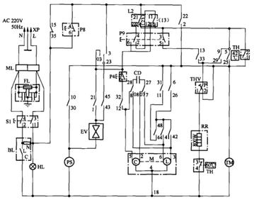
图1所示是小鸭xQG50-156型滚筒全自动洗衣机电路原理图。该电路由电动式程控器91...
海尔KFR-50LW/Bp、KFR-60LW/Bp型柜式变频空调器的构成和工作原理基本...